- Производитель: Джилекс
- Гарантия: сервисные центры
- Артикул: 3600
- Наличие:
доступен к заказу
- Описание товара
- Характеристики
- Аналогичные товары
- Отзывы о товаре (0)
- Документация
- Видеообзоры
- Наличие в магазинах
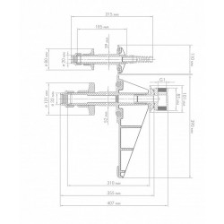
Адаптер колодезный «АК» 3600.
Колодезный адаптер «АК» (3600) предназначен для систем бытового водоснабжения.
Адаптер обеспечивает ввод напорной магистрали и электрокабеля в колодец через бетонное кольцо, быстрое и удобное присоединение насоса к напорной магистрали.
Характеристики:
✓ Присоединительный размер, дюйм - 1
✓ Max груз подвеса, кг - 120
✓ Температура перекачиваемой воды, °С - От +1 до 40
Нет отзывов о данном товаре.
